T 3263 900 U










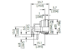
Produktbezeichnung: | Gerätedose; Rückmontage; 3 Pol; Tauchlöten 90°; Silber; IP40 |
Bemessungsspannung | 300 V |
Polzahl (ohne PE) | 3 |
Bemessungsstrom (40 °C) | 10 A |
Anschlusstechnik | DIP |
Kontaktoberfläche | Silber |
IP-Schutzklasse gesteckt | IP40 |
Produktverfügbarkeit |
Liefereinheit: | 50 Stück |
Mind. Bestellmenge: | 50 Stück |
Einzelpreis: | 6,47 € |
Gesamtpreis zzgl. MwSt.: | 323,50 € |
Technische Daten
Teilekategorie | Gerätedose |
Geschlecht | weiblich |
Verriegelungssystem | Schraubring |
Montage Geräteteil | Einlochrückwandmontage |
untere Grenztemperatur | -40 GC |
obere Grenztemperatur | 100 GC |
IP-Schutzklasse gesteckt | IP40 |
Bemessungsspannung | 300 V |
Bemessungsstrom (40 °C) | 10 A |
Kontaktoberfläche | Silber |
Polzahl (ohne PE) | 3 |
Schirmung | ja |
Steckverbinderkodierung | ohne |
Teilenummer Schutzkappe | C091 00V000 130 2 U & MORE |
Kommentare | Assembly Tool: N 45 091 0001 |
Häufige Fragen (FAQs)
Zu einer vollständigen Lösung werden die folgenden Komponenten benötigt:
Kabelsteckverbinder und Gegenstück des gegenteiligen Geschlechts (Dose/Geräteteil)
Lösewerkzeug FH 0300 091 und Montageschlüssel N 45 091 000 1
abhängig von der Anwendung: Schutzdeckel
Bei Crimp-Ausführungen müssen die Crimpkontakte und das Crimpwerkzeug separat dazu bestellt werden.
Wir besitzen langjährige Erfahrung mit der Entwicklung und Produktion von Kabelkonfektionen und kompletter Baugruppen, speziell auf der Geräteseite (Verteilerboxen, Leiterplatten, Deckel). Schreiben Sie uns an industrial@amphenol.de und lassen Sie sich gerne beraten!
Neben 180° Tauchlötkontakten in drei Längenvarianten gibt es Möglichkeiten zur 90° Anbindung, unter anderem mit einem Flansch der direkt auf die Leiterplatte gesetzt werden kann. Weiter bieten wir eine Lösung bei der die Leiterplatte nur in die Rückseite des Geräteteils eingeschoben werden muss (auf Anfrage). Unsere fliegende Konfektionen mit Platinenstecker erlauben alternativ mehr Flexibilität und Fehlertoleranz.
Bei M16A Steckverbindern kann das Schirmgeflecht mittels Schirmklemme an das Metallgehäuse übergeben werden. Ist eine hohe Schirmfähigkeit gefordert empfehlen wir unsere M16D+ Kabelstecker mit 360° Schirmung und 40db Dämpfung.
Auch wenn beim Crimpanschluss der Übergangswiderstand minimal erhöht ist hat sich die Anschlusstechnik gegenüber dem Löten etabliert. Vor allem bei hohen Stückzahlen lohnt sich die Investition in Crimpautomaten in Sachen Materialkosten, Arbeitsaufwand und Qualitätssicherung. Wir haben langjährige Erfahrung mit der Crimptechnik und bieten serienübergreifend ein breites Portfolio an Crimpkontakten, gedreht und gestanzt, lose und als Bandware.
Durch Umwelteinflüsse kommt es häufig zur Oxidation an der Oberfläche von silber-beschichteten Kontakten, welche sich durch eine dunkle Färbung zeigt. Die Oxidschicht hat keine Auswirkung auf die Funktionalität und wird beim Stecken automatisch abgerieben. In Benutzung brennt die Oxidschicht gewöhnlich bei einer Belastung > 24V bzw. 200-300mA durch. Fließen kleinere Ströme empfehlen wir gold-beschichtete Kontakte um den Übergangswiderstand langfristig gering zu halten.
Standardweise besitzen unsere M16A/B Steckverbinder einen schwarzen Gehäusekörper aus Kunststoff. Mit den Hülsen T29935109C / T29935119C / T29935129C / T29935139C kann die Farbe der Tüllenversion auf blau, rot, gelb und grün angepasst werden. Darüber hinaus bieten wir bei entsprechenden Abnahmemengen eine farbliche Anpassung weiterer Kunststoff- und Metallkomponenten an.
Unsere M16 Geräteteile können alternativ zur Ringmutter auch mit einer SW20 Sechskantmutter ausgestattet werden (Teilenummer T 0422 060 9). Bei entsprechenden Abnahmemengen liefern wir das Bauteil auch gerne direkt mit Sechskantmutter.
Neben den Standard 5 und 7 Pol Kontaktlayout gibt es jeweils zusätzlich die Stereo Versionen. Historisch wurden diese zur Übertragung von Ton genutzt, heute setzt man aber meist andere Lösungen ein. Anwendungstypisch ist der Lötanschluss, daher sind diese Polbilder nicht mit Crimpkontakten verfügbar. Mit den Stereo Polbilder kann bspw. eine mechanische Kodierung (Poka Yoke) realisiert werden.
Bei einem Transfer der Produktionsstätte wurde im Jahr 2010 das "U" am Ende der Teilenummer zur eindeutigen Rückverfolgbarkeit eingeführt. Dimensionen, Material und technische Funktion blieben bei dem Prozess vollkommen unverändert. Heute ist das "U" unabhängig von der Supply Chain fester Bestandteil der Teilenummer.
weiteres Zubehör
Gehäuse
Kontakte
Haftungsausschluss: Für die Richtigkeit und Vollständigkeit der angegebenen Zubehörvorschläge wird keine Haftung übernommen.