RTS018N32S03

Data Overview

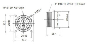
Description: Female Receptacle; Size 18; Flange; 32 Pin; IP69K
rated voltage250 V
number of positions (w/o PE)32
rated current (40 °C)7.5 A
terminationcrimp
IP-class matedIP69k

Product Availability and Price

Product Availability
Packing Unit: 100 Pieces
Min. Order Quantity: 100 Pieces
Price per Piece: €2.88
Total Price plus VAT: €288.00
Send Request
We load the stock please wait a second...

Technical Data

part category female receptacle
gender female
locking system bayonet ring
assembly of receptacle flange assembly
lower temperature -40 GC
upper temperature 125 GC
IP-class mated IP69k
rated voltage 250 V
rated current (40 °C) 7.5 A
number of positions (w/o PE) 32
min. wire gauge 0.05
max. wire gauge 0.75
shielding no
part number protection cap RTS018DCG
comments Flange Sealing: RTFD18B*

Frequently Asked Questions

Zu einer vollständigen Lösung werden die folgenden Komponenten benötigt:

  • Kabelsteckverbinder und Geräteteil des gegenteiligen Geschlechts (Kupplung / Geräteteil)

  • Bei Flanschgeräteteilen: Flanschdichtung

  • Bei Endcap-Versionen: Blindstopfen, wenn nötig

  • Abhängig von der Anwendung: Schutzkappe

  • Crimpkontakte

  • Handcrimpwerkzeug oder pneumatisches Werkzeug

There is a thread on the back of the receptacles. The standard backshells can be screwed onto this to create a wall bushing. The O-ring located on the receptacles thread is necessary to achieve IP67/IP69K protection class.

The eco|mate Aquarius series offers receptacles including dip solder contacts for direct connection to the PCB. We provide versions with or without an additional PCB snap-in clip. You can find the part numbers in our webshop or on request.

Our customers can choose from two types of contact:

  • Stamped contacts are supplied on reel and are particularly suitable for automated processing and are quite inexpensive to procure. Additionally, they provide an extended vibration resistance.

  • In particularly harsh environments, we recommend the higher quality machined contacts. These are more stable and can transmit more current.

Both contact types are available with different coatings (tin, silver, gold in various thicknesses).

An optimized version of the stamped contacts has been added to the standard portfolio. Instead of two tangs (code "1", e.g. SS16M1F), the new version comes with three tangs and promises improved tensile strength (code "2", e.g. SS16M2F). There are currently no plans to discontinue the original version; both versions are still available. The versions are interchangeable, compatible with each other and the same hand crimping tools can be used.

The blind plugs AT13-204-2005 / A114017 are designed to seal connectors with single wire seals from the back side in case not all positions are required. Please refer to the eco|mate RM assembly instructions for further details. The blind plugs cannot be used for mechanical coding.

There is generally no risk of corrosion with the plastic connectors of the eco|mate Aquarius series. An exception is the hex nut of the jam nut receptacles. This is made of metal and is approved with 48h resistance.

There are currently no 90° backshells in the eco|mate Aquarius portfolio. Alternatively, the 90° backshells of the eco|mate RM series can be screwed onto the thread on the back. Please take note, an additional O-ring is required for this. There is also the option of 90° overmolding. If this option sounds interesting, please contact us.

Representative test according to ISO 4892-3 / Cycle 1, min. 1000h with 0.76 W/m2 UV exposure alternating with heat and humidity, minimal discoloration may occur, no significant damage to the material or restriction of functionality.

  • Approval vibration according to MIL-STD-1344,2005.1 (10..2000Hz, constant amplitude 1.7mm, constant acceleration 10g, 4h per axis)

  • Approval shock according to MIL-STD-1344,2004 (6 shocks each in both directions on all 3 axes, 11ms half-sine-shaped with max. acceleration 50g, no electrical interruption >1μs)

This might interest you

Housing
Contact
prev
next

Accessory

Housing

Contact

Disclaimer: No liability is accepted for the correctness and completeness of the suggested accessories.