C091 31N008 100 2 U

Data Overview

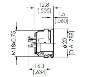
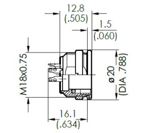
Description: Female Receptacle; Front Mount; 8 Pin; Solder; Silver; IP69K
rated voltage100 V
number of positions (w/o PE)8
rated current (40 °C)7 A
terminationsolder pin
contact platingsilver
IP-class matedIP69k

Product Availability and Price

Product Availability
Packing Unit: 50 Pieces
Min. Order Quantity: 50 Pieces
Price per Piece: €6.19
Total Price plus VAT: €309.50
Send Request
We load the stock please wait a second...

Technical Data

part category female receptacle
gender female
locking system screw coupling
assembly of receptacle single hole front assembly
lower temperature -40 GC
upper temperature 100 GC
IP-class mated IP69k
rated voltage 100 V
rated current (40 °C) 7 A
contact plating silver
number of positions (w/o PE) 8
min. wire gauge 0.05
max. wire gauge 0.5
shielding yes
connector coding without
part number protection cap C091 00V000 130 2 U & MORE
comments Assembly Tool: N 45 091 0001

Frequently Asked Questions

The following components are required for a complete solution:

  • Cable connector and counterpart of the opposite gender (socket/device part)

  • Release tool FH 0300 091 and installation wrench N 45 091 000 1

  • depending on the application: protective cover

For crimp versions, the crimp contacts and the crimping tool must be ordered separately.

We have great experience in the development and production of cable assemblies and complete devices, especially on the machine side (distribution boxes, PCBs, covers). Send us your request to industrial@amphenol.de and we are happy to support you!

In addition to 180° dip solder contacts in three length variants, there are also options for 90° connection, including a flange that can be placed directly on the PCB. We also offer a solution where the PCB only needs to be slided into the back side of the receptacle (on request). Alternatively, our flying pigtail assemblies with PCB connectors allow more flexibility and failure tolerance.

The M16D series offers established solutions for effective shielding capability. With an approval according to the AISG standard and the many years of use in the environment of sensitive mobile radio antennas. With the M16D cable connectors, the shield is connected to the housing with a shield clamp. This allows an attenuation of around 30db to be achieved. With the optimized M16D+ variant, a shielding ring is used to achieve 360° shielding with 40db attenuation.

With M16D and D+ connectors using soldering and gold-plated contacts, a data transmission rate in accordance with CAT5 (10-100 Mbps / 100 MHz) can be achieved. This makes the series suitable not only for power and signal transmission but also for data transmission. Our connectors are used, for example, in camera and CCTV technology. For higher transmission rate requirements, please refer to our sensor|mate M8/M12 connectors.

Even though the contact resistance is slightly higher with crimp connections, this connection technology has established itself over soldering. Particularly for large quantities, investing in automatic crimping machines pays off in terms of material costs, workload and quality assurance. We have many years of experience with crimping technology and offer a broad portfolio of crimp contacts across all series, turned and stamped, loose and on reels.

Environmental influences often cause oxidation on the surface of silver-coated contacts, which is indicated by a dark coloration. The oxide layer has no effect on functionality and is automatically rubbed off when plugged in. In use, the oxide layer usually burns out at a load > 24V or 200-300mA. If smaller currents flow, we recommend gold-plated contacts to keep the contact resistance low in the long term.

Our M16D connectors come with a silver-colored metal housing as standard. Alternatively, we will check the color matching of the various components in the desired color depending on your yearly demands.

As an alternative to the ring nut, our M16 receptacles can also be equipped with an SW20 hexagon nut (part number T 0422 060 9). We are also happy to supply the component directly with a hexagon nut depending on your yearly demands.

In addition to the standard 5 and 7 pole contact layout, there are also stereo versions. Historically, these were used to transmit sound, but today customers usually use other connector solutions (Audio series). The solder connection is typical for the application, which is why these layouts are not available with crimp contacts. With the stereo layouts mechanical coding (Poka Yoke) can be realized.

During a transfer of the production facility in 2010, the "U" was introduced at the end of the part number for clear traceability. The dimensions, material and technical function remained completely unchanged during the process. Today, the "U" is an integral part of the part number, regardless of the supply chain.

Our M16D connectors are approved with protection class IP67/IP69K and are therefore waterproof. The requirement of 30 minutes at a water depth of 1m is only a minimum requirement. On request, we can test the tightness for special water depths and durations.

The products of the M16D series have the following approvals:

  • Vibration approval according to IEC 60512-6-4 (10..50Hz, constant amplitude 0.35mm, 50..2000Hz with constant acceleration 5g, 2h per axis)

  • Shock release in accordance with IEC 60512-6-3 (18 shocks in both directions on all 3 axes, 11ms half-sine-shaped with max. acceleration 50g, no electrical interruption >1μs)

This might interest you

Accessory
prev
next

Accessory

Housing

Contact

Disclaimer: No liability is accepted for the correctness and completeness of the suggested accessories.